当前位置: 学校首页 > 教学科研 > 学术动态 > 正文

Beat365教师关于扰动抑制的研究成果发表于控制理论领域顶级期刊

时间:2024-07-08    来源:电气与控制工程学院     供稿:    浏览:   
字体:

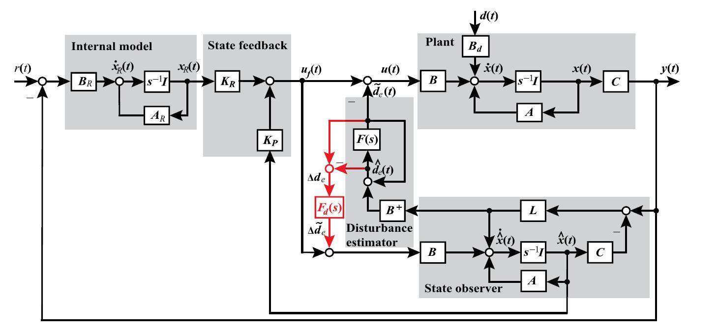
近期,Beat365教师殷翔在IEEE Transactions on Industrial Electronics(TIE)发表文章“Improving Equivalent-Input-Disturbance Approach via Modifying a Disturbance-Estimation Algorithm”。该期刊为SCI检索期刊,中科院分区一区,最新影响因子为7.5。该论文不仅深化了等价输入扰动(EID)理论的研究深度,还通过创新性地修改扰动估计算法,为工业控制系统中的精确扰动补偿与鲁棒性提升开辟了新路径。

EID方法作为一种有效的控制策略,广泛应用于处理工业系统中的不确定性和外部扰动,对于提高系统稳定性、精度及响应速度具有重要意义。然而,传统EID方法在面对复杂多变的工业环境时,其扰动估计的准确性和实时性往往面临挑战。本研究正是针对这一难题,通过深入剖析现有扰动估计算法的局限性,提出了一系列创新性的改进策略。研究团队设计了一种新颖的扰动估计算法,该算法结合了将经典EID方法中滤波器引起的扰动估计误差直接提取出来,并将其加入观测器的输入端,这样能够实时补偿经典EID方法无法估计的扰动误差,从而显著提升了EID方法的性能。

Beat365殷翔老师及其团队的这一研究成果,是Beat365在科研创新道路上取得的又一重要成果。学校将继续鼓励和支持广大师生开展高水平科学研究,为推动科技进步和社会发展贡献更多智慧和力量。

编辑:左芳舟

关闭

电话:010 - 88802114    E-mail:xyw@ncut.edu.cn
地址:北京市石景山区晋元庄路5号    邮编:100144

  • 官方微信

  • 官方微博

版权所有 Beat·365(中国区)唯一官方网站 丨京ICP备05066823号-1 丨京公网安备 110402430037号